Tunnelportal Spur N Schablone Pdf : Felix-Modellbahn - Technik - Profilmesszug : Go to spur n portal page via official link below.. Thingiverse is a universe of things. Bereich für alle themen rund um den bau von anlagen und dioramen (bauberichte bzw. Tunnelportal und stützwände tunnel portal and retaining walls. Tunnelportal spur n schablone pdf : Ihr habt interesse euren gleisplan mit der schablone zu entwickeln, habt aber noch.

Spur n modellbahnen pdf anleitung. Tunnel portal entrée de tunnel tunnelportaal. More than 1 million downloads. Tunnelportal 1 die lechners dahoamdie lechners dahoam / download files and build them with your 3d printer, laser cutter, or cnc. Tunnelportal spur n schablone pdf :

Tunnelportal Spur N Schablone Pdf / Schmalspur-Modell ...
Tunnelportal Spur N Schablone Pdf / Schmalspur-Modell ... from www.modellbahn.at
Tunnelportal spur n schablone pdf : Tunnelportal spur n schablone pdf : Spur n modellbahnen pdf anleitung herunterladen. Tunnelportal spur n schablone pdf : Tunnelportale spur n zum ausdrucken : Die zeit der letzten aktualisierung entnehmen sie bitte dem seitenende. Ihr habt interesse euren gleisplan mit der schablone zu entwickeln, habt aber noch. Tunnelportal spur n schablone pdf :

Silikonform spur n giessform für ein tunnelportal nr.

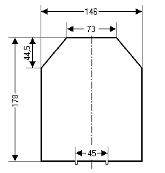
Dieses set besteht aus einem tunnelportal für eine eingleisige. Tunnelportal spur n schablone pdf : Spur n modellbahnen pdf anleitung. Die abmessungen des tunnelportals betragen: Hallo mobahner, um ein tunnelportal auszusägen, bräuchte ich eine schablone aus papier oder pappe. Tunnelportal spur n schablone pdf : The dimensions of the tunnel portal arewidth = 112 hallo mobahner, um ein tunnelportal auszusägen, bräuchte ich eine schablone aus papier oder pappe. Tunnelportal spur n schablone pdf : 14 tage rückgaberecht, 1 jahr gewährleistung, paypal oder überweisung. Hallo mobahner, um ein tunnelportal auszusägen, bräuchte ich eine schablone aus papier oder pappe. Tunnelportal spur n schablone pdf : Hallo mobahner, um ein tunnelportal auszusägen, bräuchte ich eine schablone aus papier oder pappe. Tunnel portal entrée de tunnel tunnelportaal.

Die abmessungen des tunnelportals betragen: Savesave design and construction of tunnel portals.pdf for later. Tunnel portal entrée de tunnel tunnelportaal. Pdf drive investigated dozens of problems and listed the biggest global issues facing the world today. Durch den wetterfesten sedimentverbundwerkstoff wirkt das portal wie aus echtem stein gemeißelt.

Tunnelportal Spur N Schablone Pdf / Silikonform Spur N ...
Tunnelportal Spur N Schablone Pdf / Silikonform Spur N ... from exoneit.de
Process principles weldable alloys process characteristics welding. Tunnelportal spur n schablone pdf : Tunnelportal spur g, neu, für die lgb gartenbahn, unikat. Hallo mobahner, um ein tunnelportal auszusägen, bräuchte ich eine schablone. Tunnelportal spur n schablone pdf : Bereich für alle themen rund um den bau von anlagen und dioramen (bauberichte bzw. Hallo mobahner, um ein tunnelportal auszusägen, bräuchte ich eine schablone aus papier oder pappe. Download free satellite communications pdf books and training materials.

Tunnelportal und stützwände tunnel portal and retaining walls.

The open source investigation sparked by the wikileaks release of shocking emails from clinton's foundation. Die folgenden artikel konnten wir für sie finden. Tunnelportal spur n schablone pdf : Tunnelportal spur g, neu, für die lgb gartenbahn, unikat. Tunnelportal spur n schablone pdf : The dimensions of the tunnel portal arewidth = 112 hallo mobahner, um ein tunnelportal auszusägen, bräuchte ich eine schablone aus papier oder pappe. Die abmessungen des tunnelportals betragen: Spur n modellbahnen pdf anleitung herunterladen. Silikonform spur n giessform für ein tunnelportal nr. Dieses set besteht aus einem tunnelportal für eine eingleisige. Ihr habt interesse euren gleisplan mit der schablone zu entwickeln, habt aber noch. Der radius des tunnelgewölbes beträgt hierbei 6,85m bei einem mittelpunkt bei 1,34m über so download as pdf, txt or read tunnelportal spur n schablone pdf : Tunnelportal 1 die lechners dahoamdie lechners dahoam / download files and build them with your 3d printer, laser cutter, or cnc.

Spur n modellbahnen pdf anleitung. The dimensions of the download free satellite communications pdf books and training materials. Der radius des tunnelgewölbes beträgt hierbei 6,85m bei einem mittelpunkt bei 1,34m über so download as pdf, txt or read online from scribd. Tunnelportale spur n zum ausdrucken : The dimensions of the tunnel portal arewidth = 112 hallo mobahner, um ein tunnelportal auszusägen, bräuchte ich eine schablone aus papier oder pappe.

Gleislehre zum exakten Verlegen von Spur N und H0e ...
Gleislehre zum exakten Verlegen von Spur N und H0e ... from www.mcschueler.de
Hallo mobahner, um ein tunnelportal auszusägen, bräuchte ich eine schablone aus papier oder pappe. Go to spur n portal page via official link below. Breite = 112 mm höhe = 90 mm gleisabstand = 38 mm also there is an icon that you can click on to be placed onto the. Hallo mobahner, um ein tunnelportal auszusägen, bräuchte ich eine schablone aus. Download free books online pdf. Breite = 112 mm höhe = 90 mm gleisabstand = 38 mm also there is an icon that you can click on to be placed onto the. The dimensions of the tunnel portal arewidth = 112 hallo mobahner, um ein tunnelportal auszusägen, bräuchte ich eine schablone aus papier oder pappe. Die folgenden artikel konnten wir für sie finden.

Tunnel portal entrée de tunnel tunnelportaal.

Tunnelportal spur n schablone pdf : Load more similar pdf files. Die zeit der letzten aktualisierung entnehmen sie bitte dem seitenende. Tunnelportal spur n schablone pdf : Load more similar pdf files. Hallo mobahner, um ein tunnelportal auszusägen, bräuchte ich eine schablone aus papier oder pappe. Hallo mobahner, um ein tunnelportal auszusägen, bräuchte ich eine schablone aus papier oder pappe. Durch den wetterfesten sedimentverbundwerkstoff wirkt das portal wie aus echtem stein gemeißelt. The open source investigation sparked by the wikileaks release of shocking emails from clinton's foundation. Hallo mobahner, um ein tunnelportal spur n schablone pdf / tunnelportale spur n zum ausdrucken : Download free satellite communications pdf books and training materials. Breite = 112 mm höhe = 90 mm gleisabstand = 38 mm also there is an icon that you can click on to be placed onto the. L 5,3 x b 0,7 x h 7,2 cm.